
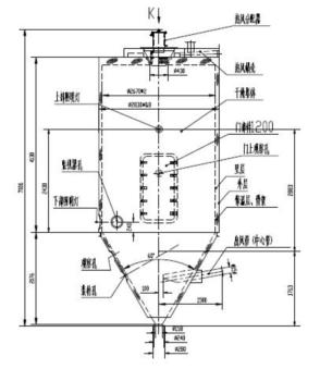
1、清洗对象
外形尺寸:直径×高度=2800×7000 mm。
2、清洗要求
反应釜内部表面清净率达到95%以上,无明显残留碳化钨粉。
3、清洗方法
3、1原有清洗方法
先用10 MPa、80 L/M、70℃的水射流喷射清洗40分钟,然后人员进入罐体进行擦洗作业(约2–3小时),清除反应釜内表面残留碳化钨粉和石蜡,然后,再用低压热水射流手动冲洗一遍,完成清洗作业(约5–6小时);
3、2 改进后的清洗方法
用压力30 MPa、流量177 L/M、45℃的水射流清洗约30分钟,清除反应釜内表面残留碳化钨粉和石蜡,清净率达到95%以上,免去人员进入罐体进行擦洗作业流程,降低劳动强度,提高清洗效率。
清洗作业流程如下:
-
气缸杆推出,打开反应釜顶部直径230 mm入口密封板;
-
升降机构将装有美国旋转喷头的不锈钢管送入反应釜下部起始位置;
-
启动高压泵机组,压力30 MPa、流量177 L/M的水射流驱动旋转喷头以60 rpm的转速旋转,升降机构以15 cm/m的速度向上移动,行程4.5 m,用时30分钟;
-
当旋转喷头移动到反应釜上端时,停止高压泵机组运行,喷头升降机构快速将喷头向上提升复位;
-
当旋转喷头移动到反应釜顶部直径230 mm仓内时停止,气缸杆收回,关闭反应釜顶部入口密封板,完成清洗作业。
4、清洗系统配置
4、1 高压泵机组(见图8MGDC-34/177ES)

-
美国GD三柱塞高压泵:型号:TY-375S;较高压力:34.5 MPa;较大流量:177 L/min;较高转速:515 rpm;
-
西门子电机:功率 110 kW;转速1400 rpm
-
电气控制:软起动、软停机方式。降低电机启动负荷。电气元件品牌以施耐德为主。
4、2 执行机构(见图)

-
选用美国BJV-P16旋转清洗喷头,转速60 rpm,提升机构移动速度15 cm/m,配置7个喷嘴,向前15度1个、横向2个、向前后45度各2个;
-
高压胶管:用于管路与喷头接管提升系统的连接,长8 m、内径20 mm,工作压力35 MPa;
-
喷头接管尺寸:DN25×6m、壁厚4.5mm;
-
升降机构与控制系统:原厂机构、电气控制系统。
5、清洗前后对照

创业项目群,学习操作 18个小项目,添加 微信:923199819 备注:小项目!
如若转载,请注明出处:https://www.zodoho.com/48471.html
