今天为大家介绍一款波纹管型挠性联轴器,适用于引动器、精密XY轴滑台、半导体设备和编码器等。
产品详情:
MBB-C
特点:
- 适用马达
MBB伺服马达◎步进马达◎通用马达-- ◎:特优○:优
- 特性
MBB零背隙◎容许误差调整○- ◎:特优○:优
- 本产品为波纹管型挠性联轴器。
- 这种波纹管允许出现偏心量、偏角量、轴向偏差。
- 产品采用不锈钢材质制成。
材质、表面处理:
|
MBB |
|
|
轴套 |
A2017 |
|
波纹管 |
SUS304 |
|
内六角螺栓 |
SCM435 |
可传递摩擦力矩:
表中所示尺寸的轴摩擦力矩小于MBB-C的额定扭矩,敬请注意。
单位 : N?m
|
型号 |
轴孔径(mm) |
||
|
3 |
5 |
6 |
|
|
MBB-19C |
0.8 |
||
|
MBB-32C |
2 |
4.2 |
|
|
MBB-40C |
9.8 |
||
测试值根据以下数值得出:轴的尺寸容许偏差为h7;硬度为34-40 HRC;螺丝紧固扭矩值如MBB-C尺寸表所示。
用途:
引动器/精密XY轴滑台/半导体设备/编码器
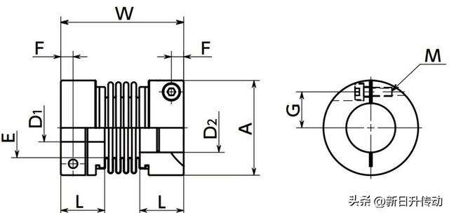
形状图:
构造:
选型:
选型示例:
如果轴径和负荷扭矩的选定参数分别为φ10和2 N·m,则MBB的选型规格为MBB-27C。
偏心反作用力:
轴向反作用力:
温度引起的静态扭转弹簧常数的变化:
这是20℃时静态扭转刚性数值为100%时的数值。
温度对MBB扭转刚性的影响很小,对响应性的影响极小。如果联轴器在高温下使用,考虑到热胀冷缩的影响,联轴器会出现延长或弯曲现象,请注意误差调整。
创业项目群,学习操作 18个小项目,添加 微信:923199819 备注:小项目!
本文内容由互联网用户自发贡献,该文观点仅代表作者本人。本站仅提供信息存储空间服务,不拥有所有权,不承担相关法律责任。如发现本站有涉嫌抄袭侵权/违法违规的内容, 请发送邮件至 zoodoho@qq.com举报,一经查实,本站将立刻删除。
如若转载,请注明出处:https://www.zodoho.com/76312.html
如若转载,请注明出处:https://www.zodoho.com/76312.html
